Recherche un produit
Electronique - Sono - Lumière
Sécurité - Surveillance Vidéo
Catalogue
»
Connecteurs & Adaptateurs
»
Connecteurs Secteur
Titre:
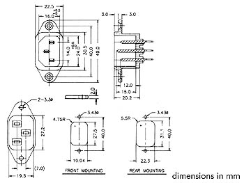
Embase Mâle pour Chassis
Quantité:
Article indisponible
Voir les produits disponibles dans cette catégorie
Description:
Caractéristiques
à souder
Spécifications
résistance d'isolation: 1000Mohm min.
résistance diélectrique: 2000V min.
agréations:
15A / 250V: UL, CSA
10A / 250V: VDE, SEMKO, SEV, FIMKO
Photo non contractuelle
Copyright © 2009 Transistek.com |
Plan du site
|
Conditions générale de vente